Sigma-delta转换器测量技术

最近,ΣΔ转换器应用于各种测试与测量应用。实际上,许多imc Meßsysteme的系统和设备(如imc CRONOScompact,imc CANSAS等)用这些转换器作为标准硬件,这种转换器的功能如何,为什么它的重要性增涨如此迅速,以及它给工程师和技术员们带来了什么益处,这本白皮书会一一解答。
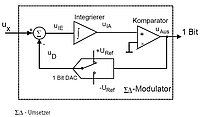
Sigma-delta转换器在音频技术上应用普遍,目前深入渗透到测试和测量领域。特别是对于智能测量系统,这种转换方法是最好的方法,它具有高采样率和出色的信噪比(SNR)。测量设备的这些转换器从一开始的主要优势在于抗混叠滤波器,(见白皮书:“选择正确的采样率”)。它们非常简单而且价格便宜,每个测量通道都可以配备一个,由于这些组件价格较低,没有配置模拟多路器架构的测量设备越来越少见。

